醫療科研
醫藥包裝檢測儀器
金屬材料試驗機
口罩防護服檢測類儀器
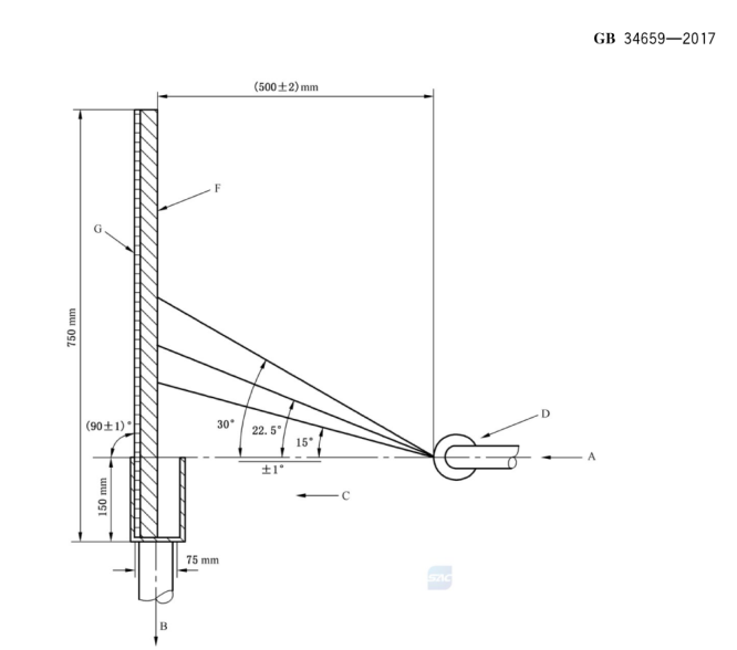
防飛濺試驗裝置是根據GB334659-的標準要設計制造,滿足標準規定的試驗要求。
本試驗裝置適用于汽車和掛車防飛濺系統的性能試驗。試驗期間的水源應采用保持流速不變的清水進行,該試驗裝置安裝容易,操作簡單,經濟實惠。
2017年9月29日國家質檢總局和國家標準委聯合發布《中華人民共和國國家標準公告》(2017年第23號),要求2018年1月1日正式實施新版《機動車運行安全技術條件》(GB7258-2017)。
《機動車運行安全技術條件》(GB7258-2017)由公安部歸口管理,是我國機動車安全技術管理的最基本的技術性法規,是公安機關交通管理部門新車注冊登記、機動車查驗主要技術依據。GB7258-2017 第11.10.1條規定總質量大于7.5噸的貨車、貨車底盤改裝的專項作業車及總質量大于3.5噸的掛車等應裝有防飛濺系統。
2017年11月1日正式發布的《汽車和掛車防飛濺系統的要求和測量方法》(GB 34659-2017)是國家針對防飛濺系統頒布的專項標準,是GB7258-2017的重要補充,對防飛濺系統定義、構成、安裝要求、外廓尺寸、性能等進行全方面明確與規定。該標準由工業和信息化部歸口管理,將于2018年1月1日與GB7258-2017同步正式實施。




版權所有 @ 山東德瑞克儀器股份有限公司 備案號:魯ICP備12028852號-4 實驗室一站式服務,實驗室設計,試驗儀選配.(魯)-非經營性-2021-0099


